Product Summary
The MRF9120L is a RF Power Field Effect Transistor. It is designed for broadband commercial and industrial applications with frequencies from 865 to 895 MHz.
Parametrics
Absolute maximum ratings: (1)Drain-Source Voltage:- 0.5Vdc to +65Vdc; (2)Gate-Source Voltage:- 0.5Vdc to +15Vdc; (3)Total Device Dissipation:@ TC = 25℃:250W, Derate above 25℃: 1.43W/℃; (4)Storage Temperature Range:- 65℃ to +150℃; (5)Operating Junction Temperature:200℃.
Features
Features: (1)Capable of Handling 10:1 VSWR, @ 26 Vdc, 880 MHz, 120 Watts (CW) Output Power; (2)Characterized with Series Equivalent Large-Signal Impedance Parameters; (3)Integrated ESD Protection; (4)Designed for Maximum Gain and Insertion Phase Flatness; (5)Excellent Thermal Stability; (6)Available with Low Gold Plating Thickness on Leads. L Suffix Indicates 40μ″ Nominal; (7)In Tape and Reel. R3 Suffix = 250 Units per 56 mm, 13 inch Reel.
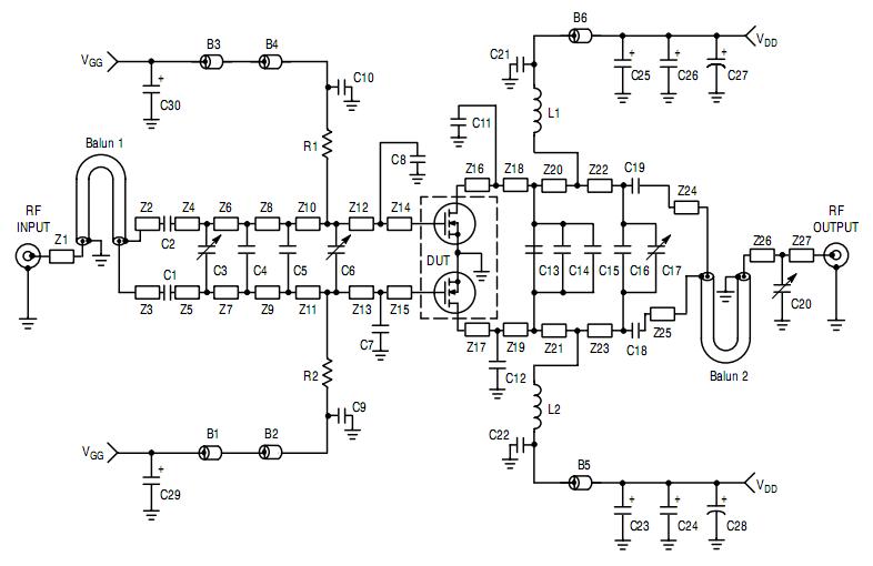
Diagrams

| Image | Part No | Mfg | Description | ![]() |
Pricing (USD) |
Quantity | ||||
|---|---|---|---|---|---|---|---|---|---|---|
![]() |
![]() MRF9120LR3 |
![]() Freescale Semiconductor |
![]() Transistors RF MOSFET Power 120W 880MHZ NI860L FET |
![]() Data Sheet |
![]() Negotiable |
|
||||
![]() |
![]() MRF9120LR5 |
![]() Freescale Semiconductor |
![]() Transistors RF MOSFET Power 120W 880MHZ NI860L FET |
![]() Data Sheet |
![]() Negotiable |
|
||||
(China (Mainland))







